M5Stack M128 Data Conversion Module

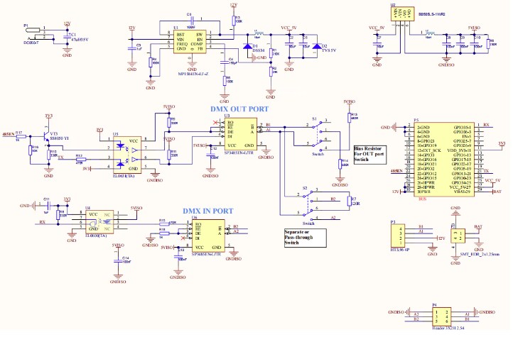
M5Stack M128 Data Conversion Module features DMX-Base, a functional base specially designed for DMX-512 data transmission scenarios. This DMX-Base enables control and communication with the M5 host by being equipped with XLR-5 and XLR-3 male and female interfaces and through serial ports. The module has an HT3.96 pitch 485 interface to facilitate connection to expansion 485 devices, and the communication signal adopts high-speed optocoupler isolation. Two independent RS-485 circuits can receive DMX data, and two separate or parallel operations can be selected through the internal double-throw switch.

The DC-JACK interface and the corresponding DC-DC circuit can power the entire equipment. This M128 module features Arduino and UIFlow programming platforms. The M128 module operates at 9VDC to 24VDC input voltage and 0°C to 40°C temperature range. This M128 module is ideally used in stage lighting and sound device control.

Features

  • XLR-5 and XLR-3 male and female connectors for easy connection of DMX devices
  • Support communication and enable control with M5 host through the serial port
  • Built-in two double-throw switches allow users to control the connection mode and transmission path
  • The power supply DCDC isolation method is adopted to improve stability and consistency
  • Arduino and UIFlow programming platform

Specifications

  • 9VDC to 24VDC input voltage
  • 5V/3.3V power output
  • 54mm x 54mm x 27mm dimension
  • 0°C to 40°C temperature range

Kit Contents

  • 1xDMX base
  • 1x M2 Hex key
  • 1x 3.96-4P terminal

Applications

  • Stage lighting control
  • Sound device control
  • Landscape lighting control
  • Colored light control

Schematic Diagram

Schematic - M5Stack M128 Data Conversion Module
Publicado: 2023-08-23 | Actualizado: 2023-10-13