Luminus Devices CBM-160X-UV Ultraviolet Chip On Board LEDs

Luminus Devices CBM-160X-UV Ultraviolet LEDs are designed with UVX technology that enables ultra-high power density operation up to 4A/mm2. These LEDs feature a 380nm to 410nm UVA wavelength range and a surface-emitting area of 16mm2 with a 4:3 aspect ratio. The CBM-X-UV LEDs include a low-profile window for efficient coupling into small-etendue systems. These LEDs achieve over 60W of optical power at maximum rated drive conditions. The CBM-X-UV LEDs are RoHS, REACH, and halogen compliant. Typical applications include maskless Lithography, curing, machine vision, scientific instrumentation, and 3D printing.

Features

  • Mosaic array UV LED chipset with surface-emitting area of 16mm2, 4:3 aspect ratio
  • UVX technology enables ultra-high power density operation up to 4A/mm2
  • Low-profile window for efficient coupling into small-etendue systems
  • 380nm to 410nm UVA wavelength range
  • Over 60W of optical power at maximum rated drive condition
  • Electrically isolated and high thermal conductivity copper core board package


Applications

  • Maskless Lithography
  • Machine vision
  • Scientific and medical instrumentation
  • 3D printing
  • Curing:
    • Inks
    • Coating
    • Adhesive

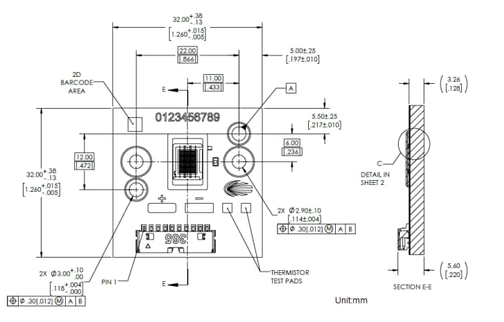
Mechanical Drawing

Mechanical Drawing - Luminus Devices CBM-160X-UV Ultraviolet Chip On Board LEDs

Typical Spectrum Diagram

Luminus Devices CBM-160X-UV Ultraviolet Chip On Board LEDs
Publicado: 2023-11-02 | Actualizado: 2023-11-15