Infineon Technologies TLE9351SJ High-Speed CAN FD Transceiver
Infineon Technologies TLE9351SJ High-Speed CAN FD Transceiver is designed to protect the microcontroller against interferences generated inside the network. This transceiver offers a low-level Electromagnetic Emission (EME) within a wide frequency range based on the high symmetry of the CANH and CANL output signals. The TLE9351SJ transceiver fulfills stringent Electro-Magnetic Compatability (EMC) test limits without an additional external circuit like a common mode choke. This transceiver features excellent ESD robustness, over-temperature protection, and standby mode with a minimized quiescent current. The optimized transmitter symmetry combined with the optimized delay symmetry of the receiver enables the TLE9351SJ transceiver to support CAN FD data frames. This device supports data transmission rates up to 5MBps, depending on the size of the network and the inherent parasitic effects. The TLE9351SJ transceiver is ideally used in automotive and industrial applications.Features
- Very low CAN bus leakage current in power-down state
- Very low Electromagnetic Emission (EME)
- Certified according to Vehicle LAN Interoperability and Optimization (VeLIO) test requirements
- Loop delay symmetry for CAN FD data frames up to 5MBit/s
- Bus Wake-Up Pattern (WUP) function with optimized filter time for worldwide OEM usage
- Excellent ESD robustness
- TxD time-out function
- RoHS compliant
- Overtemperature protection
- Stand-by mode with minimized quiescent current
Applications
- Engine Control Units (ECU)
- Gateway modules
- Body Control Modules (BCM)
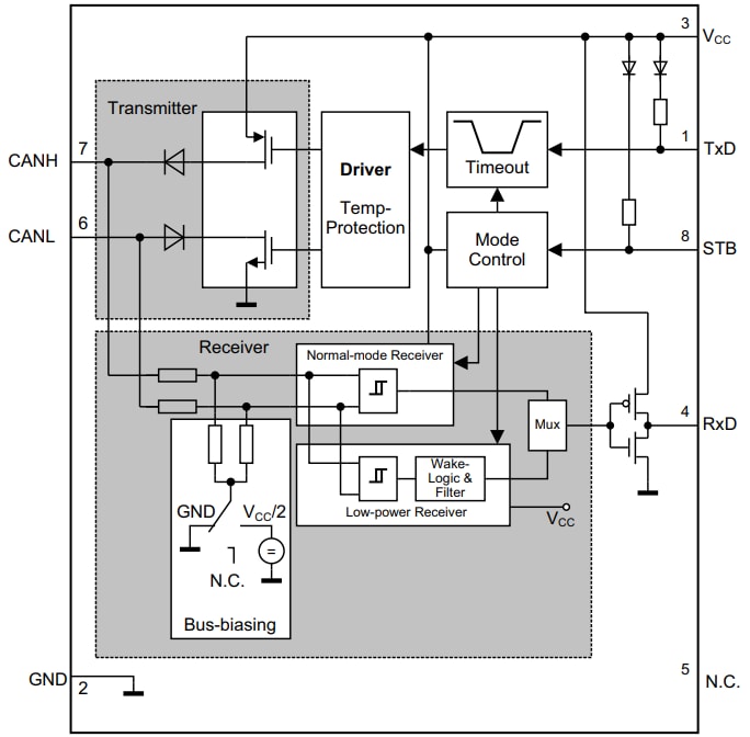
Block Diagram
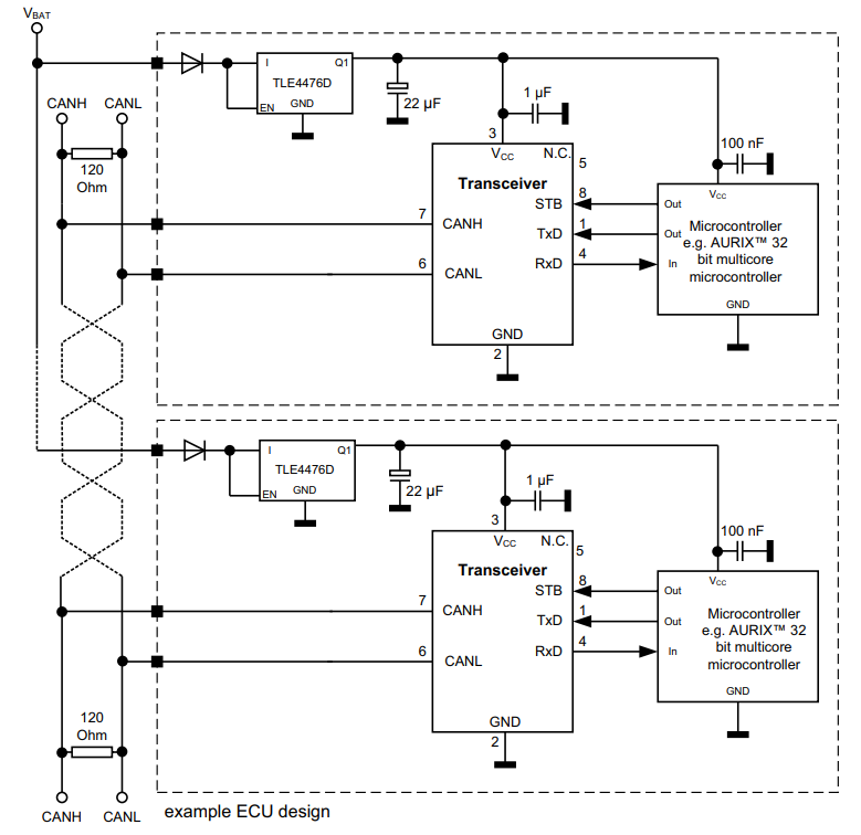
Application Circuit Diagram
Publicado: 2021-09-21
| Actualizado: 2024-06-10
