Infineon Technologies S80KS5122 & S80KS5123 HYPERRAM™ 2.0 Memory
Infineon Technologies S80KS5122 and S80KS5123 HYPERRAM™ 2.0 Memory is a high-speed, low-pin-count, low-power self-refresh Dynamic RAM (DRAM) for high-performance embedded systems requiring expansion memory for scratchpad or buffering purposes. HYPERRAM products support JEDEC JESD251 profile compliant HYPERBUS™ and Octal xSPI interfaces that draw upon the legacy features of both parallel and serial interface memories while enhancing system performance and ease of design as reducing system cost. The low-pin count architecture makes HYPERRAM especially suitable for power and board space-constrained applications requiring off-chip external RAM.The Infineon Technologies S80KS5122 and S80KS5123 HYPERRAM are available with either a HYPERBUS or Octal xSPI Interface.
Features
- 8-bit data bus
- 512Mb density
- Interface
- S80KS5122: HYPERBUS (x8)
- S80KS5123: Octal xSPI (x8)
- 200MHz
- 1.8V supply voltage
- Temperature range options
- Industrial (-40°C to +85°C)
- Industrial Plus (-40°C to +105°C)
- Auto Grade 3 (-40°C to +85°C)
- Auto Grade 2 (-40°C to +105°C)
- Auto Grade 1 (-40°C to +125°C)
- 6mm x 8mm BGA-24 package
Applications
- Automotive instrument clusters, infotainment, and telematics systems
- Industrial machine vision
- Industrial and consumer HMI display panels
- Consumer wearable devices
- Communication modules
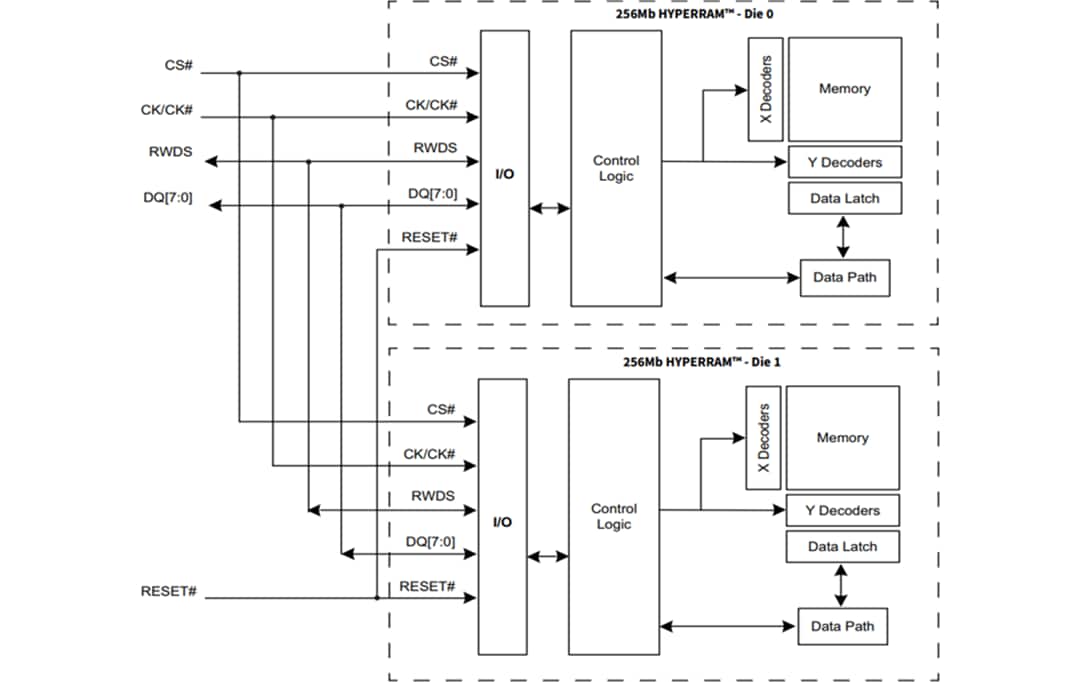
Logic Block Diagram (S80KS5122)
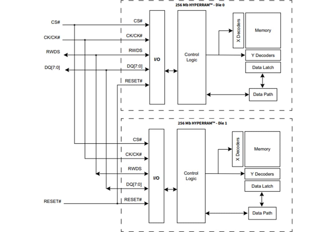
Logic Block Diagram (S80KS5123)
Publicado: 2022-03-21
| Actualizado: 2023-04-25
