Microchip Technology MPLAB® PICkit™ 5 In-Circuit Debugger/Programmer

Microchip Technology MPLAB® PICkit™ 5 In-Circuit Debugger/Programmer enables quick prototyping and portable, production-ready programming for all Microchip components, including PIC®, dsPIC®, AVR®, and SAM (Arm®) devices. In conjunction with the MPLAB X Integrated Development Environment (IDE), this kit provides a powerful, easy-to-use Graphical User Interface (GUI) for debugging and programming. The MPLAB PICkit 5 can also be used as a stand-alone debugger/programmer with the MPLAB Programmer-To-Go (PTG) mobile app via a BLUETOOTH® connection. This versatile programming companion allows prototyping and debugging of a user's solution. Unplug and then deploy the solution in the field.

The MPLAB PICkit 5 supports various interfaces such as four-wire JTAG or Serial Wire Debug (SWD) with streaming UART Virtual Comm Port (VCP), and with the Debugger Adapter Board (AC102015) can use standard connectors for JTAG, SWD, ICSP, and AVR Protocols. With the unique programmer-to-go function, the PICkit 5 can also be powered by the target board and program a default image simply by pressing the button hidden under the logo. Users can also connect via Bluetooth using the MPLAB PTG mobile app, browse the micro SDTM card installed in the tool for a different image, and start programming the target board right from the app. 

Features

  • Connects to a computer via a USB Type-C™ cable
  • Powered through the USB or the target device and can optionally power the target (up to 150mA)
  • 8-pin SIL programming connector with the option to use various interfaces
  • Programs devices using MPLAB X IDE or MPLAB IPE
  • Supports
    • Programmer-To-Go (PTG) to field program devices
    • MPLAB PTG iOS/Android app used to select and manage PTG program images via BLUETOOTH
    • Virtual Comm Port (VCOM)
    • Multiple hardware/software breakpoints, stopwatch, and source code file debugging
    • New devices/features through new/updated packs in MPLAB X IDE or MPLAB IPE
  • Debugs
    • Users' applications on the user's own hardware in real time
    • At full device operational speeds
  • Sets breakpoints based on internal events
  • Monitors internal file registers
  • Configures pin drivers
  • Indicates debugger status via the indicator light strip
  • 0 to +70°C operating temperature range
  • Performance/speed
    • Real-Time Operating System (RTOS)
    • No firmware download delays are incurred when switching devices
    • 32-bit MCU running at 300MHz
  • Safety
    • Receive feedback from the debugger when the external power supply is needed for the target
    • Supports target supply voltages
      • Low-voltage program mode entry from 1.2V to 5.0V
      • High-voltage program mode entry from 1.8V to 5.0V
    • Protection circuitry is added to the probe drivers to guard against target power surges
    • VDD and VPP voltage monitors protect against overvoltage conditions/all lines have over-current protection
    • Programming/debugging pins with a programmable range of resistor values plus direction (pull-up, pull-down, or nonexistent)
    • Controlled programming speed provides flexibility to overcome target board design issues
  • CE and RoHS compliant

Kit Contents

  • Rectangular-shaped MPLAB PICkit5 unit housed in a durable, black plastic case with a brushed metal top accented with an indicator light strip
    • USB Type-C connector
    • 8-pin single inline (SIL) connector
    • Micro Sd card slot
    • Emergency recovery button
    • Lanyard connector
  • USB Type-C cable to provide:
    • Communications between the debugger and a computer
    • Power to the debugger
  • BLUETOOTH 5.0 Certified Module for communication between the MPLAB PTG application and MPLAB PICkit 5
  • 2x MPLAB PICkit 5 In-Circuit Debugger/Programmer stickers

Required Equipment

  • Available USB 2.0 port
  • Microsoft Windows® 7 or later, macOS®, or Linux®
  • MPLAB X IDE version 6.10 or later

Videos

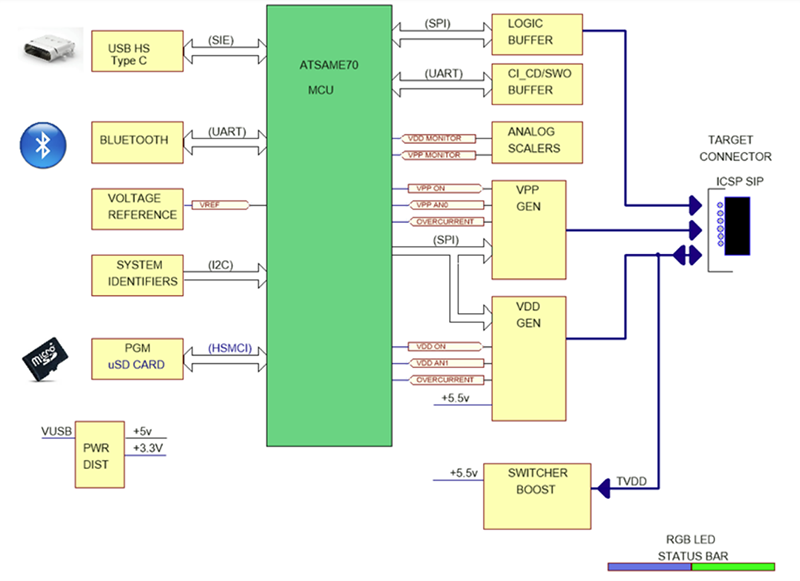
Block Diagram

Block Diagram - Microchip Technology MPLAB® PICkit™ 5 In-Circuit Debugger/Programmer
Publicado: 2023-05-31 | Actualizado: 2025-08-06