e-peas AEM10330 Solar Energy Harvester

e-peas AEM10330 Solar Energy Harvester is an integrated energy management circuit that extracts DC power from an ambient energy harvesting source to supply an application and store energy in a storage element. The AEM10330 allows for extending battery lifetime and ultimately eliminating the primary energy storage element in a wide range of applications.

Thanks to its Maximum PowerPoint Tracking system, the AEM10330 extracts the maximum energy from the source. It integrates an ultra-low-power DCDC converter with input voltages ranging from 100mV to 4.5V.

At start-up, the user can choose between charging the storage element first to accumulate energy before the application circuit starts or charging the load decoupling capacitor first to start the application circuit faster.

With its unique cold start circuit, the AEM10330 can start harvesting with an input voltage as low as 275mV and from an input power of 3μW. The preset protection levels determine the storage element voltage protection thresholds to avoid overcharging and over-discharging the storage element and thus avoid damaging it. Those are set through configuration pins. Moreover, custom threshold voltages can be obtained at the expense of a few configuration resistors.

The load voltage can be selected to cover most application needs, with a maximum available load current of 60mA.

The chip integrates all active elements needed to power a typical wireless sensor. Only three capacitors and one inductor are required.

Features

  • Ultra-low power start-up, cold start from 275mV input voltage and 3µW input power (typical)
  • Very efficient energy extraction
    • Open-circuit voltage sensing for Maximum Power Point Tracking (MPPT)
    • Selectable open-circuit voltage ratios from 60% to 90% or fixed impedance
    • Programmable MPPT sensing period
    • MPPT voltage operation range from 100mV to 4.5V
  • Adaptive and smart energy management
    • DCDC switches automatically between boost, buck-boost, and buck operation, according to input and output voltages, to maximize energy transfer
    • DCDC automatically handles multiple inputs and outputs
      • Keeps the internal supply and the load voltages regulated while storing the excess energy in the storage element
      • The storage element can be used as an input to keep the load and internal voltages regulated when no energy is available on the source
  • Load supply voltage
    • Selectable load voltage from 1.2V to 3.3V
    • Current drive capability 30mA in low power mode, 60mA in high power mode
  • Battery protection features
    • Selectable over-charge and over-discharge protection for any type of rechargeable battery or (super-) capacitor
    • Fast super-capacitor charging
    • Dual cell super-capacitor balancing circuit
  • Small footprint and small BOM
    • Only four external components are required
    • One 10µH inductor
    • Three capacitors: one 10µF, one 22µF, and one at least 40µF

Applications

  • Asset tracking/monitoring
  • Industrial
  • Retail ESL/smart sensors
  • Aftermarket automotive
  • Smart home/building

Application Circuit Diagram

e-peas AEM10330 Solar Energy Harvester

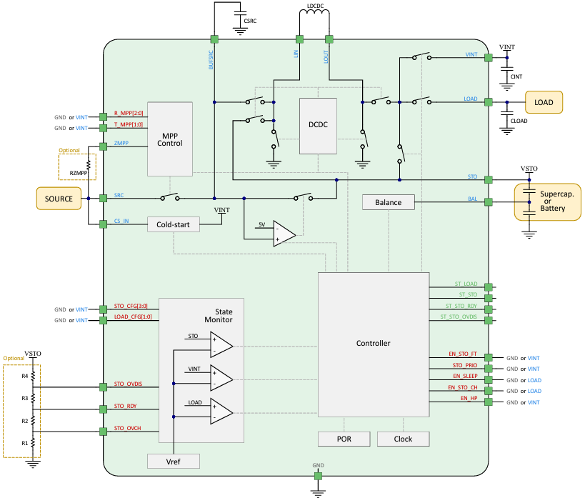
Functional Block Diagram

Block Diagram - e-peas AEM10330 Solar Energy Harvester

Schematic Diagram

Schematic - e-peas AEM10330 Solar Energy Harvester
Publicado: 2023-09-27 | Actualizado: 2024-10-02