e-peas AEM0094x Ambient Energy Management ICs

e-peas AEM0094x Ambient Energy Management Integrated Circuits (ICs) are regulated dual-output energy managers for source voltage level configuration with an optional primary battery. These devices extract DC power to simultaneously store energy in a rechargeable element and supply the system with two independent regulated voltages. The AEM0094x ICs are optimized for constant voltage PV cells, intermittent, and pulsed power with a 50mV to 5V input voltage range. These ICs feature up to 110mA current extracted from the harvester and integrate an ultra-low power boost converter to charge a storage element. The device automatically switches to the primary battery when the secondary battery is exhausted. Typical applications include door access systems, smart wearable sensors, smart switches in homes/buildings, and Point-of-Sales (POS).

Features

  • Cold start from 380mV input voltage and 3µW input power (typical)
  • Constant input voltage regulation:
    • Optimized for constant voltage PV cells, intermittent and pulsed power
    • 50mV to 5V input voltage range
    • 50mV to 4.5V selectable operating input voltage regulation
    • Up to 110mA current extracted from the harvester
  • Integrated 1.2V/1.8V LDO regulator:
    • Up to 20mA load current
    • Dynamically power-gated by external control
    • Selectable output voltage
  • Integrated 1.8V to 4.1V LDO regulator:
    • Up to 80mA load current with 300mV drop-out
    • Dynamically power-gated by external control
    • Selectable or adjustable output voltage
  • Flexible energy storage management:
    • Selectable or adjustable overcharge and over-discharge protection for any type of rechargeable battery or (super)capacitor
    • Fast supercapacitor charging
    • Indication when the battery is running low
    • Indication when output voltage regulators are available
  • Automatic switching to the primary battery when the secondary battery is exhausted

Applications

  • Door access systems
  • Smart wearable sensors
  • Smart switches home/building
  • Point-of-Sales (POS)

Functional Block Diagram

Block Diagram - e-peas AEM0094x Ambient Energy Management ICs

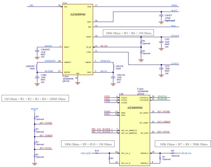
Schematic Diagram

Schematic - e-peas AEM0094x Ambient Energy Management ICs
Publicado: 2025-02-03 | Actualizado: 2025-03-18