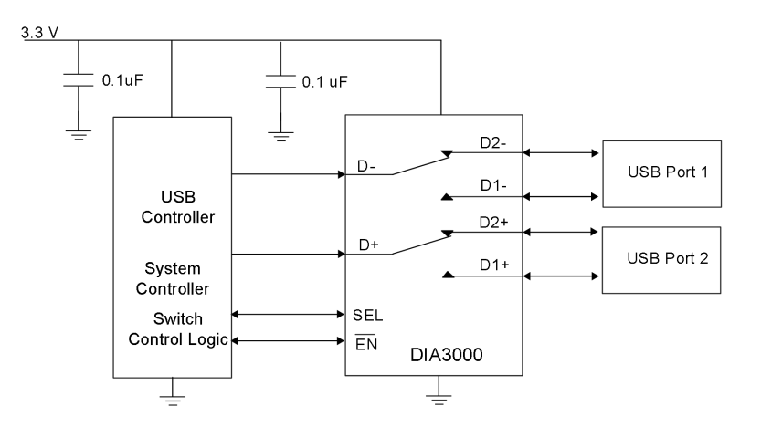
DIOO Microcircuits DIA3000 Dual SPDT Switch
DIOO Microcircuits DIA3000 Dual Single-Pole Double Throw (SPDT) Switch is designed to switch USB 2.0 signals in controllers or automotive hubs. This switch features 5.8GHz bandwidth at -3dB, 0.6pF typical ON capacitance, and an over-voltage tolerance function on all I/O pins. The DIA3000 switch includes 1.8V compatible control-pin inputs for /EN and SEL. This switch supports a 2.3V to 5.5V input voltage range and is characterized by -40°C to 125°C ambient temperature. The DIA3000 switch is AEC-Q100 qualified and used in routing high-speed USB signals and phone-controlled automotive infotainment.Features
- 2.3VCC to 5.5VCC input voltage range
- High-speed signal channels support up to 5.5V
- 5.8GHz bandwidth at -3dB
- 0.6pF typical ON capacitance
- 4.6Ω typical ON resistance
- 1.8V compatible control-pin inputs for /EN and SEL
- Low-power mode when OE is disabled (1µA)
- 25µA typical ultra-low power consumption
- AEC-Q100 qualified:
- -40°C ≤ TA ≤ 125°C device ambient temperature
- -40°C ≤ TJ ≤ 150°C device junction temperature
- Available in a QFN-10 2mm x 1.5mm package
Applications
- Routing high-speed USB signals
- Automotive USB hubs
- Phone-controlled automotive infotainment
Simplified Schematic Diagram
Block Diagram
Application Circuit Diagram
Publicado: 2024-10-09
| Actualizado: 2024-11-19
