Diodes Incorporated AL58812 12-Channel Linear LED Drivers
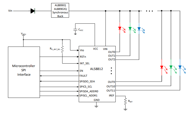
Diodes Incorporated AL58812 12-Channel Linear LED Drivers incorporate 12 programmable LED current channels, each with an internal 12-bit PWM for color and brightness control via an I2C or SPI digital interface. The AL58812 is ideal for up to four RGB LED module lighting applications, featuring three programmable banks (A, B, C) for software-controlled color adjustment. An external resistor can set the global output current of all 12 channels. Each channel current can be digitally configured up to 70mA under the thermal limitation of the package.The Diodes Inc AL58812 Drivers are controlled through an I2C/SPI digital interface, which is selectable by the INT_SEL pin. The AL58812 features a 30kHz, 12-bit PWM generator for each channel, and channel/module-independent color mixing and brightness control registers, allowing vivid LED effects with zero audible noise.
The LED Drivers operate over -40°C to +85°C ambient temperature range and are available in a W-QFN5050-40/SWP (Type A1) MSL level 1 package.
Features
- Input voltage 2.7V to 5.5V
- 12 precision LED current sinks
- OUT pins voltage max 5.5V
- 70mA per channel current
- 12-Bit PWM register with 30kHz PWM generator
- PWM phase shifting
- 6-Bit global current dimming
- Independent color-mixing register
- Independent brightness control registers
- Logarithmic or linear-scale brightness control
- Three programmable banks (A, B, C)
- Low-dropout VSAT 200mV typical at 70mA
- Hardware-selectable I2C or SPI digital interface
- Support 400kHz I2C interface and 4MHz SPI
- Diagnosis and protections
- Open-drain fault indication pin and registers
- Individual fault mask registers for each channel
- Overtemperature Protection (OTP) with Pre-OTP warning
- LED Open/Short, Undervoltage
- Ultra-low quiescent shutdown 1μA:
- Power-saving mode at 15μA (max)
- Totally lead-free and fully RoHS compliant
- Halogen and antimony-free “Green” device
- For automotive applications requiring specific change control
Applications
- Smart home appliances
- Electric vehicle charging stations
- Infotainment displays
- IoT information indicators
- Computing hardware
Circuit-For I2C Interface Applications
Circuit-For SPI Interface Applications
Publicado: 2025-09-30
| Actualizado: 2025-11-05
