CUI Inc VGS-50E AC/DC Power Supplies
CUI Inc VGS-50E AC/DC Power Supplies are 50W power supplies designed to meet 60335 system requirements and are 62368 certified. These AC/DC power supplies feature a 34.5mm profile, over-voltage and short circuit protection, and Class B emissions. The VGS-50E AC/DC power supplies operate with a wide input voltage range of 85VAC to 264VAC. These chassis-mount internal AC/DC power supplies are housed in a compact metal case and are RoHS-compliant. The VGS-50E power supplies operate at -30°C to 80°C temperature range. The internal AC/DC power supplies are ideal for reducing standby power usage in industrial applications.
Features
- 85VAC to 264VAC universal input range
- Class B emissions (EN 55032/CISPR/FCC)
- Certified to IEC/EN/UL 62368-1
- Designed to meet IEC/EN 60335
- Protections:
- Short circuit
- Overvoltage protection
- <0.15W no-load power consumption
- Class I or Class II
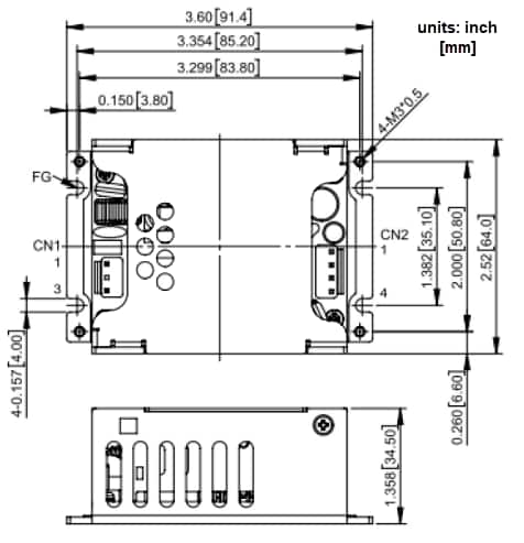
- 3.598" x 2.520" x 1.358" (91.40mm x 64mm x 34.50mm) dimensions
- Up to 5000m operating altitude
- OVC III
Applications
- Reduces standby power usage in industrial applications
Dimension Diagram
Block Diagram
View Results ( 6 ) Page
| N.º de artículo | Hoja de datos | Voltaje de salida-Canal 1 | Potencia de salida | Corriente de salida-Canal 1 | Dimensiones | Frecuencia de entrada | Voltaje de aislamiento |
|---|---|---|---|---|---|---|---|
| VGS-50E-12 | ![]() |
12 VDC | 50 W | 4.17 A | 91.4 mm x 64 mm x 34.5 mm | 47 Hz to 63 Hz | 4.25 kVAC |
| VGS-50E-24 | ![]() |
24 VDC | 50 W | 2.08 A | 91.4 mm x 64 mm x 34.5 mm | 47 Hz to 63 Hz | 4.25 kVAC |
| VGS-50E-48 | ![]() |
48 VDC | 50 W | 1.04 A | 91.4 mm x 64 mm x 34.5 mm | 47 Hz to 63 Hz | 4.25 kVAC |
| VGS-50E-15 | ![]() |
15 VDC | 50 W | 3.33 A | 91.4 mm x 64 mm x 34.5 mm | 47 Hz to 63 Hz | 4.25 kVAC |
| VGS-50E-36 | ![]() |
36 VDC | 50 W | 1.39 A | 91.4 mm x 64 mm x 34.5 mm | 47 Hz to 63 Hz | 4.25 kVAC |
| VGS-50E-5 | ![]() |
5 VDC | 40 W | 8 A | 91.4 mm x 64 mm x 34.5 mm | 47 Hz to 63 Hz | 4.25 kVAC |
Publicado: 2025-03-19
| Actualizado: 2025-12-12

