Crouzet GND Board SIP Solid State Relays
Crouzet GND Board (GNDB) SIP Solid State Relays (SSRs) are PCB mount devices with DC output. The Crouzet GNDB SIP SSRs feature 4A or 10A output current and 2VDC to 60VDC or 7VDC to 36VDC output voltage. The series also provides 4VDC to 10VDC, 4VDC to 30VDC, and 10VDC to 30VDC control voltage options. GNDB offers a classic SIP package for PCBs and built-in output overvoltage protection.Features
- 4A or 10A output current
- 2VDC to 60VDC or 7VDC to 36VDC output voltage
- 4VDC to 10VDC, 4VDC to 30VDC, or 10VDC to 30VDC control voltages
- Classic SIP package for PCBs
- DC switching
- CE and UKCA compliance
- Built-in output overvoltage protection
Specifications
- 2mA to 7mA minimum input current
- 60VPEAK transient voltage
- 2500V dielectric strength
- -40°C to +80°C operating temperature range
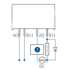
Wiring Diagram
Publicado: 2022-08-17
| Actualizado: 2022-08-23
