CML Micro EV90A006 Evaluation Board
CML Micro EV90A006 Evaluation Board is designed to assess the features of the CMX90A006 2-Stage Linear RF Power Amplifier. The CMX90A006 RF power amplifier delivers +33dBm of output power at 1dB gain compression over the 860MHz to 930MHz frequency range, applicable to license-free bands. Operating over a wide 2.5V to 5.25V supply voltage range enables system-level optimization, suitable for single-cell Lithium batteries.Features
- PCB consists of four-layer FR-4 with a total thickness of 1.592mm
- EV90A006 PCB measures 50mm x 50mm
- Microstrip RF input and output width is 0.38mm
Applications
- UHF RFID readers
- Smart meters (e.g. AMR/AMI)
- Asset tracking
- Wireless modules
- IoT/M2M
- SRD/ISM bands (868MHz/915MHz)
- Lithium battery-powered systems
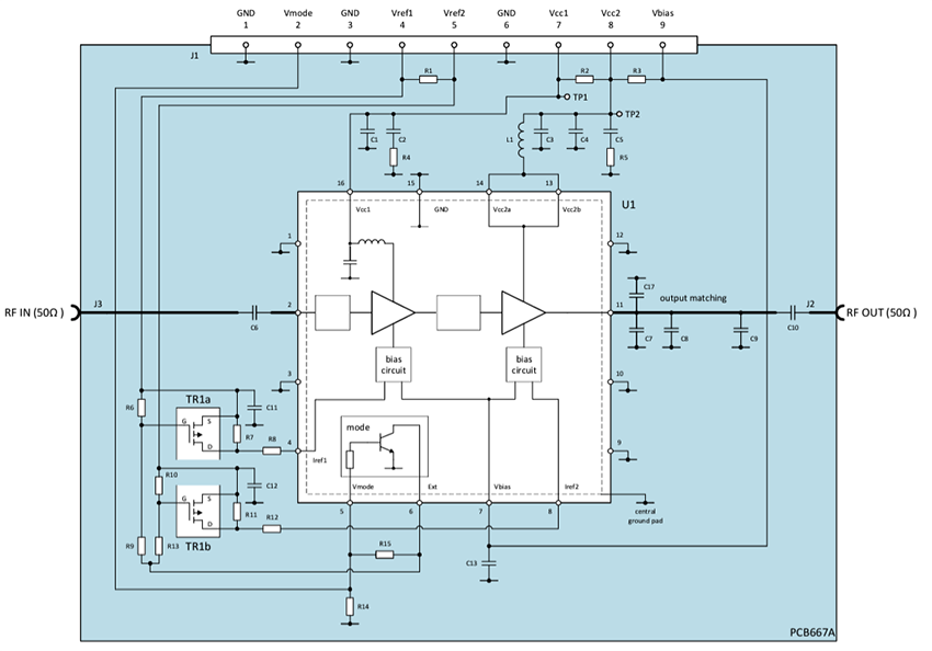
Schematic
Publicado: 2024-09-24
| Actualizado: 2024-09-24
