Bourns PF-J POWrFuse™ High-Power Fuses

Bourns PF-J POWrFuse™ High-Power Fuses offer a rated current from 30A to 70A with a rated voltage up to 500VAC and an interrupting rating up to 2kA. PF-J fuses are specially designed to meet UL 284-14 requirements to help protect systems in extreme ambient temperatures and fault current events. The series is RoHS compliant and halogen free and has an operating temperature range of -55°C to +125°C. Ideal applications for Bourns PF-J POWrFuse High-Power Fuses include industrial, home appliances, air conditioning inverters, ice machine compressors, and dehumidifier compressors.

Features

  • Designed to UL 248-14 supplemental standard
  • 30A to 70A rated current
  • Up to 500VAC rated voltage
  • Up to 2kA interrupting rating
  • -55°C to +125°C operating temperature range
  • RoHS compliant and halogen free

Applications

  • Industrial
  • Home appliances
  • Air conditioning inverters
  • Ice machine compressors
  • Dehumidifier compressors

Derating Curve

Bourns PF-J POWrFuse™ High-Power Fuses

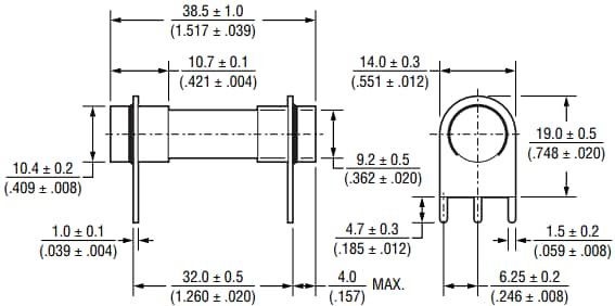
Dimensions

Bourns PF-J POWrFuse™ High-Power Fuses
Publicado: 2022-07-06 | Actualizado: 2025-06-12