Bourns ES14 Rotary Optical Encoders

Bourns ES14 Rotary Optical Encoders feature a compact 14mm package size with a 2-bit quadrature code and 8 to 64PPR resolution. These encoders offer a high rotational life cycle and ball-bearing shaft support. The Bourns ES14 Rotary Optical Encoders are recommended for machine/machine interface applications and are HCMOS, CMOS, and TTL compatible.

Features

  • HCMOS, CMOS, and TTL compatible
  • Compact package size
  • High rotational life cycle
  • Ball-bearing shaft support
  • Cable/connector option
  • Optional brackets
  • Recommended for machine/machine interface applications
  • RoHS compliant

Specifications

  • 2-bit quadrature code electrical output
  • 8 to 64 pulses per revolution (PPR) resolution options
  • 5.0VDC ±0.25VDC supply voltage
  • 26mA maximum supply current
  • 200ns typical rise/fall time
  • 167mW maximum power dissipation
  • 1000µΩ minimum insulation resistance at 500VDC
  • Operates at 1000RPM maximum
  • IP54 rated
    Continuous 360° angle
  • Temperature ranges
    • -40°C to +70°C operating at 5.0VDC
    • -55°C to +125°C storage
  • 1.05N-mm maximum starting/running torque
  • Rotational life
    • 50,000,000 cycles
    • 100,000,000 revolutions
  • 0.003" maximum shaft radial play
  • 35lbs. minimum shaft axial structural strength
  • 2.0N-m maximum mounting torque
  • Sn plated PC pins

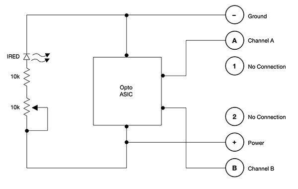
Block Diagram

Block Diagram - Bourns ES14 Rotary Optical Encoders
Publicado: 2016-01-15 | Actualizado: 2022-03-11