Banner Engineering BCS1 Miniature Slot Sensors

Banner Engineering BCS1 Miniature Slot Sensors provide fast, accurate position sensing and motion detection in a compact, cost-efficient form factor. The Banner BCS1 provides multiple housing shapes and a 5mm slot width for reliable sensing and a high level of design flexibility. Robust IP64-rated housing resists shock and vibration, allowing these mini slot sensors to offer dependable sensing when mounted on vibrating equipment. The sensor's bright red LED indication is visible from multiple angles, quickly communicating output status. The BCS1 also features built-in enhanced circuit protection to guard against shorts and wiring errors.

Features

  • Multiple housing shapes with a 5mm slot width
    • Reliable, cost-efficient sensing
    • Flexibility to choose the right sensor for applications
  • Robust IP64-rated housing
    • Resists shock and vibration
    • Dependable sensing when mounted on vibrating equipment
  • Bright red LED indication is visible from multiple angles, quickly communicating output status
  • Built-in enhanced circuit protection
    • Protects against shorts and wiring errors
    • Reduces sensor failures during commissioning

Applications

  • Industrial automation
  • Factory automation
  • Motion sensing
  • Position detection
  • Electric vehicle (EV) and semiconductor manufacturing

Specifications

  • 5VDC to 24VDC supply voltage
  • Slot opening
    • 5mm width
    • 8.4mm depth
  • 3kHz switching frequency
  • IP64 environmental rating
  • -20°C to +55°C operating temperature range

Wiring Diagrams

Application Circuit Diagram - Banner Engineering BCS1 Miniature Slot Sensors

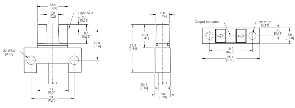
Dimensions

Mechanical Drawing - Banner Engineering BCS1 Miniature Slot Sensors
Publicado: 2025-09-03 | Actualizado: 2026-02-16