Apex Microtechnology MP118 High Power Bandwidth Amplifiers

Apex Microtechnology MP118 High Power Bandwidth Amplifiers provide a cost-effective solution in industrial applications. The Apex Microtechnology MP118 offers an outstanding performance that rivals more expensive hybrid components. The amplifiers have a footprint of only ≈26cm2 (4 in2). The 140kHz power bandwidth and 10A output of the MP118 makes it a good choice for piezo transducer drive applications.

Features

  • High voltage 200V
  • High output current 10A continuous
  • 100W dissipation capability
  • 140kHz power bandwidth
  • Temperature monitor
  • Integrated shut-down

Applications

  • Inkjet printer head drive
  • Piezo transducer drive
  • Industrial instrumentation
  • Reflectometers
  • Ultrasound transducer drive

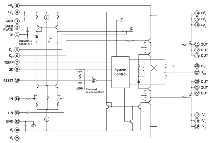
Equivalent Schematic

Schematic - Apex Microtechnology MP118 High Power Bandwidth Amplifiers

Videos

Publicado: 2022-12-08 | Actualizado: 2022-12-29