Analog Devices Inc. MAX20430EVKIT Evaluation Kit

Analog Devices Inc. MAX20430EVKIT Evaluation Kit provides a fully assembled and tested application circuit for the MAX20430 Quad-Output Power-Management ICs (PMICs). The Evaluation Kit can test all outputs to full load within the normal operating input range of 3.5V to 36.0V. The MAX20430 PMIC features two modes of watchdog operation (challenge/response and simple windowed mode) that can also be disabled for simplified evaluation.

The MAX20430EVKIT Evaluation Kit is designed to use an I2C interface, such as the MAX32625PICO Board, and PC software that can read/write to the device, such as SimpleI2C. The IC has a Packet-Error Checking (PEC) feature that is enabled by default. This option can be disabled through CONFIG1 register 0x01, bit 0 (PECE). To write to a register when the PEC is enabled, the I2C transaction must be followed by a PEC byte. The SimpleI2C software simplifies this process by providing a PEC enable setting.

Features

  • Integrated IC minimizes board area and layout
  • 3.5V to 36.0V input voltage range
  • User-programmable settings through I2C
  • Challenge/response or simple windowed watchdog
  • 1MHz fixed-frequency switching with spread-spectrum option
  • Status monitoring through RESET pin and I2C status registers
  • Fully assembled and tested
  • Proven PCB layout with automotive-grade components

Applications

  • Advanced Driver-Assistance Systems (ADAS)
  • ASIL applications

Required Equipment

  • MAX20430 EV Kit
  • I2C read/write software such as SimpleI2C
  • I2C interface such as MAX32625PICO Board
  • DC power supply capable of 0V to 36V output
  • Digital multimeters
  • Electronic load

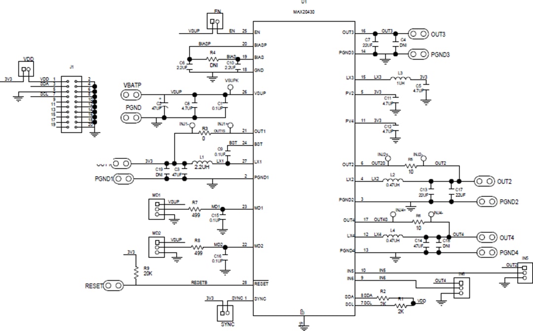
Schematic Diagram

Schematic - Analog Devices Inc. MAX20430EVKIT Evaluation Kit
Publicado: 2020-05-12 | Actualizado: 2024-05-15