Analog Devices / Maxim Integrated MAX17524 Synchronous Step-Down DC-DC Converter

Analog Devices MAX17524 Synchronous Step-Down DC-DC Converter is a dual-output, high-efficiency, high-voltage converter with integrated high-side MOSFETs. The device operates over a 4.5V to 60V input-voltage range. The device delivers up to 3A on each output and generates output voltages from 0.9V up to 90% of VIN. The Analog Devices MAX17524 features internal compensation, uses peak current-mode control, and can be operated in pulse-width modulation (PWM), pulse-frequency modulation (PFM), and discontinuous-conduction mode (DCM). This feature enables high efficiency under light-load conditions with a feedback-voltage regulation accuracy to within ±1.4% over -40°C to +125°C. The Analog Devices MAX17524 Synchronous Step-Down DC-DC Converter is housed in a 32-pin (5mm x 5mm) Thin QFN (TQFN) package.

Features

  • Reduces external components and total cost
    • No Schottky - synchronous operation
    • Internal compensation components
    • All-ceramic capacitors, compact layout
  • Reduces the number of DC-DC regulators to stock
    • Wide 4.5V to 60V input
    • Adjustable output range from 0.9V up to 90% of VIN
    • Delivers up to 3A on each output over the temperature range
    • 100kHz to 1.1MHz adjustable frequency with external clock synchronization
    • Available in a 32-pin, 5mm x 5mm TQFN package
  • Independent input-voltage pins for each output
  • Reduces power dissipation
    • Peak efficiency of 90.3%
    • PFM and DCM modes enable enhanced light load efficiency
    • Auxiliary bootstrap supply (EXTVCC) for improved efficiency
    • 5.2μA shutdown current
  • Operates reliably in adverse industrial environments
    • Hiccup-mode overload protection
    • An independently adjustable soft-start pin and programmable EN/UVLO pin for each output
    • Monotonic startup with pre-biased output voltage
    • Built-in independent output-voltage monitoring with RESET for each output
    • Overtemperature protection
    • High industrial -40°C to +125°C ambient / -40°C to +150°C junction

Applications

  • Industrial control power supplies
  • General-purpose Point-of-Load (POL)
  • Distributed supply regulation
  • Base station power supplies
  • Wall transformer regulation
  • High-voltage single-board systems

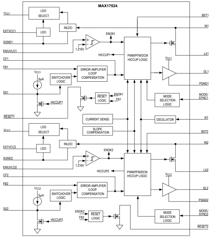
Block Diagram

Block Diagram - Analog Devices / Maxim Integrated MAX17524 Synchronous Step-Down DC-DC Converter
Publicado: 2018-04-09 | Actualizado: 2023-04-11