Analog Devices / Maxim Integrated MAX16813B 4-Channel LED Driver
Analog Devices Inc. MAX16813B 4-Channel LED Driver provides high efficiency and high brightness with four integrated LED current-sink channels. An integrated current-mode switching controller drives a DC-DC converter that provides the necessary voltage to multiple strings of HB LEDs. The MAX16813B allows a wide 4.75V to 40V input voltage range and withstands direct automotive load-dump events. The wide input range permits powering HB LEDs for small- to medium-sized LCD displays in automotive and general lighting applications.The MAX16813B consists of four identical linear current-sink channels, adjustable from 20mA to 150mA with an accuracy of ±3% using a single external resistor. Multiple channels can be connected in parallel to achieve higher current per LED string. Additionally, the MAX16813B features a unique pulsed dimming control through a logic input (DIM) with minimum pulse width as low as 500ns. The device offers protection features, including output overvoltage, open-LED detection and protection, programmable shorted LED detection and protection, output under-voltage protection and detection, and overtemperature protection.
The ADI MAX16813B 4-Channel LED Driver operates over the -40°C to +125°C automotive temperature range and is available in 20-pin (6.5mm x 4.4mm) TSSOP or 20-pin (4mm x 4mm) TQFN packages.
Features
- 4-Channel linear LED current sinks with internal MOSFETs independently drive multiple LED strings
- Full-Scale LED current, adjustable from 20mA to 150mA
- Drives 1 to 4 LED strings
- 10000:1 PWM dimming at 200Hz
- Flexible current-mode architecture supports a wide range of applications while minimizing interference
- Boost or SEPIC current-mode DC-DC controller
- 200kHz to 2MHz programmable switching frequency
- External switching-frequency synchronization
- Spread-spectrum mode
- Protection features enhance fault detection and system reliability
- Output-to-ground undervoltage protection
- Open-drain fault-indicator output
- Open-LED and LED-short detection and protection
- Overtemperature protection
- Adaptive output-voltage optimization to minimize power dissipation
- Less than 2µA shutdown current
Applications
- Architectural, industrial, and ambient lighting
- Automotive displays LED backlights
- Automotive RCL, DRL, front position, and fog lights
- LCD TV and desktop display LED backlights
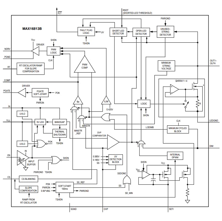
Block Diagram
