Analog Devices / Maxim Integrated MAX14912EVKIT & MAX14913EVKIT Evaluation Kit

Analog Devices MAX14912EVKIT/MAX14913EVKIT Evaluation Kit provides a proven design to evaluate the MAX14912 or MAX14913 octal digital output driver. The Analog Devices evaluation kit includes an evaluation board and a graphical user interface (GUI) communicating from a PC to the target device through a USB port. The evaluation kit includes Windows 7, Windows 8 and Windows 10 compatible software for exercising the features of the IC. The evaluation kit GUI allows controlling the MAX14912/MAX14913 in either Parallel Mode or Serial (SPI) Mode. When fully loaded, the evaluation kit must be powered from an external +24V power supply and can consume up to 10A. The MAX14912EVKIT/MAX14913EVKIT comes with a MAX14912AKN+, or MAX14913AKN+ installed in a 56-pin, 8mm x 8mm TQFN-EP package.

Features

  • Robust operation with a wide range of input voltages and load conditions
  • SPI Interface with up to 20MHz clock rate
  • Parallel Interface with up to 200kHz switching Rate
  • Manual Control in Parallel Mode
  • Wide Logic Voltage Range
  • -40°C to 125°C Temperature Range
  • On-Board LED Indication of Status and Fault Conditions
  • Daisy-Chain Capability
  • Reverse-Voltage Protection
  • Proven PCB Layout
  • Fully Assembled and Tested
  • Windows® 7, Windows 8, and Windows 10
  • Compatible Software

Kit Contents

  • +24V power supply
  • Voltmeter (optional)
  • Oscilloscope (optional)
  • PC with installed Windows 7, Windows 8, or Windows 10, and USB port

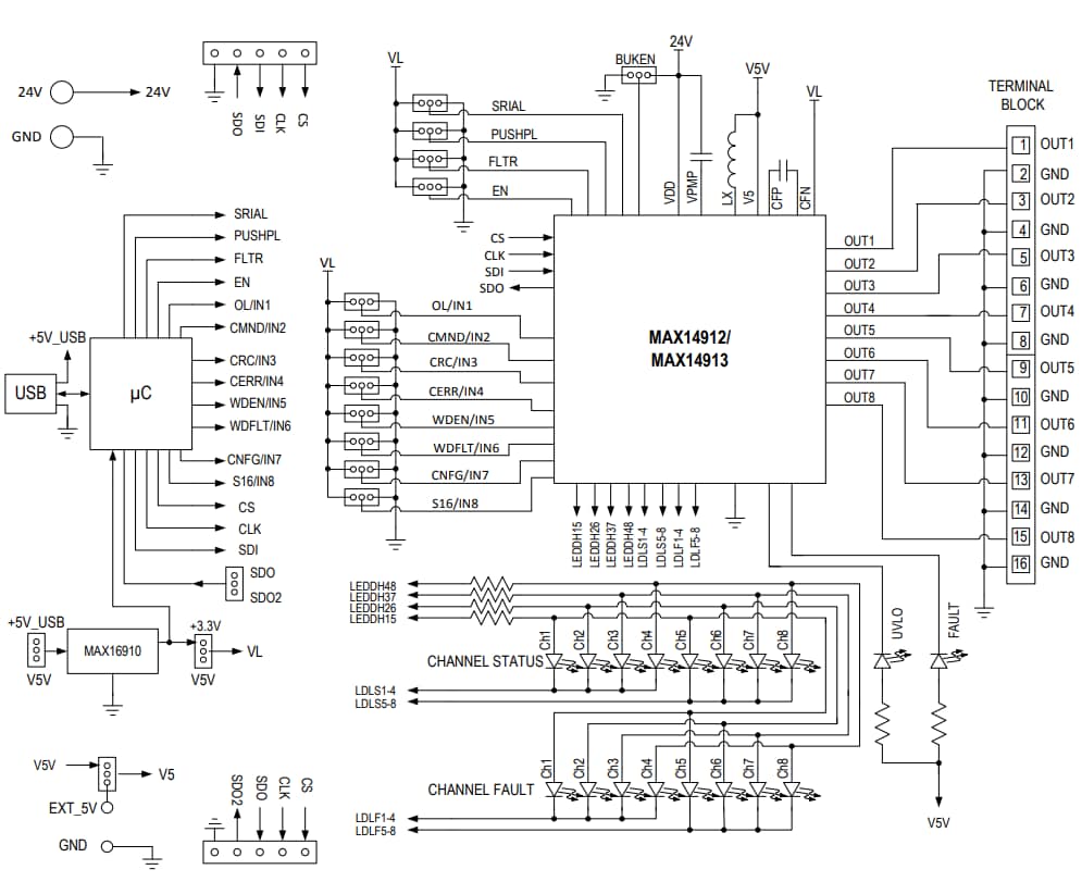
MAX14912/MAX14913 System Block Diagram

Block Diagram - Analog Devices / Maxim Integrated MAX14912EVKIT & MAX14913EVKIT Evaluation Kit
Publicado: 2017-02-27 | Actualizado: 2023-04-11