Analog Devices Inc. SSM6515 Ultra-Low Power Class-D Audio Amplifier

Analog Devices Inc. SSM6515 Ultra-Low Power Class-D Audio Amplifier is optimized for use in wireless headphones, smartphone earpieces, and hearing assistance devices. The application circuit requires few external components and operates from a 1.8V (PVDD) supply and a 1.2V to 1.8V (IOVDD) supply. With 1.8V signaling, the supply can be shared. The SSM651 Amplifier can deliver 85mW of continuous output power into a 16Ω load with <1% total harmonic distortion plus noise (THD + N).

The SSM6515 Amplifier features a high-efficiency, low noise modulation scheme that requires no external inductor/capacitor (LC) output filters. This scheme continues to provide high efficiency even at very low output power resulting in battery life savings compared to conventional headphone amplifiers. The device operates with >90% efficiency at 55mW into a 16Ω load and it has a signal-to-noise ratio (SNR) of 113dB. Spread spectrum, stable common-mode pulse density modulation provides a much lower electromagnetic interference (EMI) radiated emissions compared with other Class-D architectures.

The digital input of the SSM6515 eliminates the need for an external Digital-to-Analog Converter (DAC). The SSM6515 has a micropower shutdown mode with a typical shutdown current of 6μA at the 1.8V PVDD supply and can automatically power down with no input. The device also includes pop and click suppression circuitry that minimizes voltage glitches at the output during turn on and turn off. Inputs support various serial audio formats, including I2S, time-division multiplexing (TDM), and pulse density modulation (PDM).

The SSM6515 is designed to operate with an I2C control interface or in standalone mode and is specified over the temperature range of -40°C to +85°C. The device has built-in output short-circuit protection.

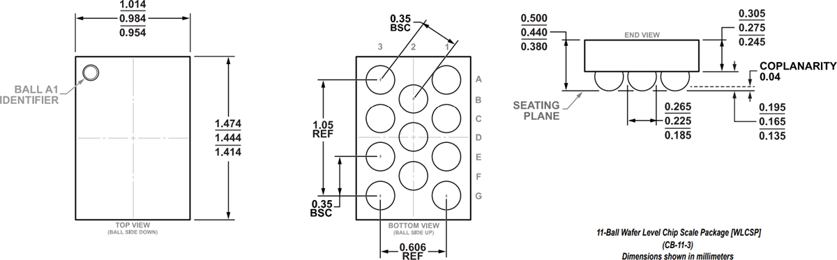
The Analog Devices Inc. SSM6515 Class-D Audio Amplifier is available in a halide-free, 11-ball, 0.984mm × 1.444mm, 0.35mm pitch Wafer-Level Chip-Scale Package (WLCSP).

Features

  • Filterless digital input, mono differential output Class-D amplifier with 3-level Σ-Δ modulation optimized for headphone drive
  • Operates from a single 1.8V supply
  • 80mW output power, 16Ω load at <0.1% THD + N
  • 2.57μV rms noise, 113dB, A-weighted signal-to-noise ratio, and dynamic range
  • 0.003% THD + N at 30mW, 1kHz output 32Ω load
  • I2C control with up to 4 pin selectable addresses or standalone operation
  • Multiple serial data formats
    • TDM, I2S, or left-justified slave
    • PDM input operating from 2.8224MHz to 12.288MHz
  • Support sample rates from 8kHz to 768kHz
  • 3.9μs latency with 6MHz PDM input
  • Flexible digital gain adjustment
  • DC blocking high-pass filter with a programmable corner frequency
  • 1.55 mW typical idle power in high-performance mode
  • Low power modes for reduced power consumption
  • Flexible output gain limiter and clipping
  • Auto power-down feature with zero digital input
  • Short-circuit protection
  • Pop and click suppression
  • User-selectable ultralow EMI emissions mode
  • Power-on reset
  • 1.8V PVDD supply
  • 1.2V to 1.8V IOVDD supply
  • 0.984mm x 1.444mm, 0.35mm pitch WLCSP-11

Applications

  • Wireless headphones
  • Active noise-canceling headphones
  • Smartphone earpiece speakers
  • Hearing assistance devices
  • Portable electronics

Block Diagram

Block Diagram - Analog Devices Inc. SSM6515 Ultra-Low Power Class-D Audio Amplifier

Typical Application Circuit

Application Circuit Diagram - Analog Devices Inc. SSM6515 Ultra-Low Power Class-D Audio Amplifier

Package Outline

Analog Devices Inc. SSM6515 Ultra-Low Power Class-D Audio Amplifier
Publicado: 2022-05-23 | Actualizado: 2022-06-07