Analog Devices Inc. LTC7820 High Power Charge Pump DC-DC Controllers

Analog Devices Inc. LTC7820 fixed ratio high voltage high power switched-capacitor/charge pump controllers provide a small and cost-effective solution for high power, non-isolated intermediate bus applications with fault protection. The devices include four N-channel MOSFET gate drivers to drive external power MOSFETs in a voltage divider, doubler, or inverter configurations. The devices achieve a 2:1 step-down ratio from an input voltage as high as 72V, a 1:2 step-up ratio from an input voltage as high as 36V, or a 1:1 inverting ratio from an input voltage up to 36V.

Each power MOSFET is switched with a 50% duty cycle at a constant pre-programmed switching frequency. System efficiency can be optimized to over 99%. The Analog Devices Inc. LTC7820 switching frequency can be linearly programmed from 100kHz to 1MHz. The devices are available in a thermally enhanced 28-lead QFN package with some no-connect pins for high voltage compatible pin spacing.

Features

  • Low profile, high power density, capable of 500W+
  • Soft startup into steady-state operation
  • Input current sensing and overcurrent protection
  • Output short-circuit/OV/UV protections with programmable timer and retry
  • Thermally enhanced 28-pin 4mm x 5mm QFN package

Specifications

  • Soft Switching: 99% peak efficiency and low EMI
  • 72V VIN max. for voltage divider (2:1)
  • 36V VIN max. for voltage doubler (1:2)/inverter (1:1)
  • Wide Bias Vcc input for improved efficiency
  • 100kHz to 1MHz operating frequency range

Applications

  • Bus converters
  • High power distributed power systems
  • Communications Systems
  • Industrial Applications

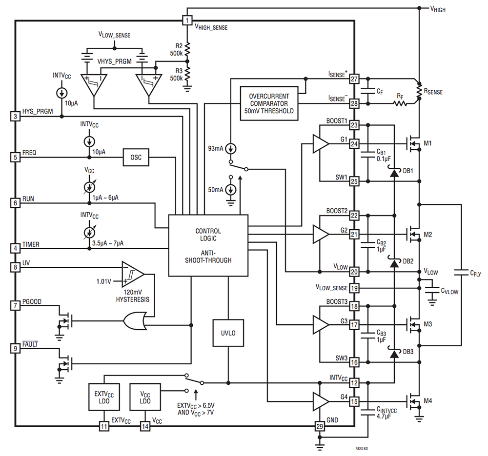
Block Diagram

Block Diagram - Analog Devices Inc. LTC7820 High Power Charge Pump DC-DC Controllers

Videos

Publicado: 2017-05-04 | Actualizado: 2022-03-17