Analog Devices Inc. LTC3372 Buck Controller Plus Buck Regulators ICs

Analog Devices LTC3372 Buck Controller Plus Buck Regulators ICs are highly flexible multioutput power supply ICs. These devices include a high-performance, high-voltage step-down DC/DC switching regulator controller that drives an all N-channel synchronous power FET stage from a 4.5V to 60V input. The LTC3372 ICs also include four low-voltage synchronous buck regulators that can be programmed by the C1-C3 pins to share eight 1A integrated power stages. The CT pin programs timing parameters of the watchdog timer and LV outputs’ Power-On Reset (RST). Reliable power-up sequencing is facilitated by precision enable thresholds. The LTC3372 ICs are primarily targeted at automotive applications that require multiple voltage rails.

Features

  • Programmable or synchronizable to external clock
  • Programmable watchdog and power-on reset delay
  • 8 flexible configurations
  • IC die temperature monitor output
  • Thermally enhanced 48-pin 7mm × 7mm QFN package
  • Extends battery run-time

Specifications

  • HV Buck controller:
    • 4.5V to 60V VIN
    • 5V/3.3V VOUT
  • LV Buck regulators:
    • 2.25V to 5.5V INA-H
    • VOUT1-4 ≥ 0.8V
  • 8×1A LV buck integrated power stages, configurable as 2, 3, or 4 output channels
  • 8 Unique output configurations (1A to 4A per channel)
  • Low total no-load input supply current (IQ):
    • 15µA HV controller only (5VOUT)
    • 23μA HV controller only (3.3VOUT)
    • 33μA HV controller (3.3VOUT) plus one LV regulator
    • 9μA Per additional LV regulator channel
  • 1MHz to 3MHz operation (HV runs at 1/6 frequency)

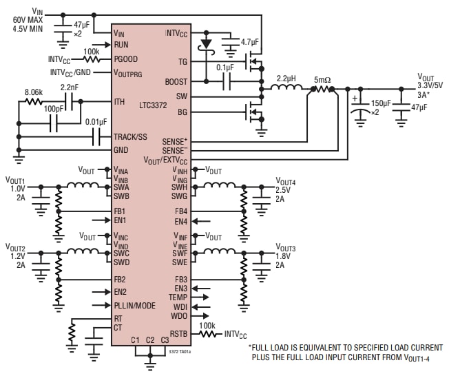
Application Circuit Diagram

Application Circuit Diagram - Analog Devices Inc. LTC3372 Buck Controller Plus Buck Regulators ICs

Performance Graph

Performance Graph - Analog Devices Inc. LTC3372 Buck Controller Plus Buck Regulators ICs
Publicado: 2019-01-14 | Actualizado: 2023-07-27