Analog Devices Inc. LT8386 Synchronous Step-Up LED Driver

Analog Devices LT8386 Synchronous Step-Up LED Driver is a monolithic step-up DC-to-DC converter that utilizes fixed frequency and peak current control. The device provides PWM dimming for a string of LEDs. The LED current is programmed by an analog voltage or digital pulses at the CTRL pin. The LT8386 will maintain 2% current regulation through an external sense resistor over a wide range of output voltages.

The LT8386 features Silent Switcher® technology designed to minimize EMI/EMC emissions with high efficiency. The switching frequency is programmable from 200kHz to 2MHz by an external resistor at the RT pin or an external clock applied at the SYNC/SPRD pin. With the optional spread spectrum frequency modulation enabled, the frequency varies from 100% to 125% to reduce EMI.

The Analog Devices LT8386 includes a driver for an external high side PMOS for PWM dimming. The 60V rated LT8386 is pin-to-pin compatible with the LT3922 and LT3922-1.

Features

  • 2% LED current regulation
  • 2.5% output voltage regulation
  • 50,000:1 PWM dimming at 100Hz
  • 512:1 internal PWM dimming
  • Spread spectrum frequency modulation
  • Silent Switcher architecture for ultra-low EMI
  • Operates in boost, buck mode, and buck-boost mode
  • 4V to 56V input voltage range
  • Up to 52V LED string voltage
  • Adaptive peak switch current limit up to 5A for low VIN
  • 200kHz to 2MHz with SYNC function
  • Analog or duty cycle LED current control
  • Open/short LED protection and fault indication
  • Small 28-lead 4mm × 5mm LQFN package
  • AEC-Q100 qualified for automotive applications

Applications

  • Automotive and industrial lighting
  • Heads Up Display (HUD)/machine vision

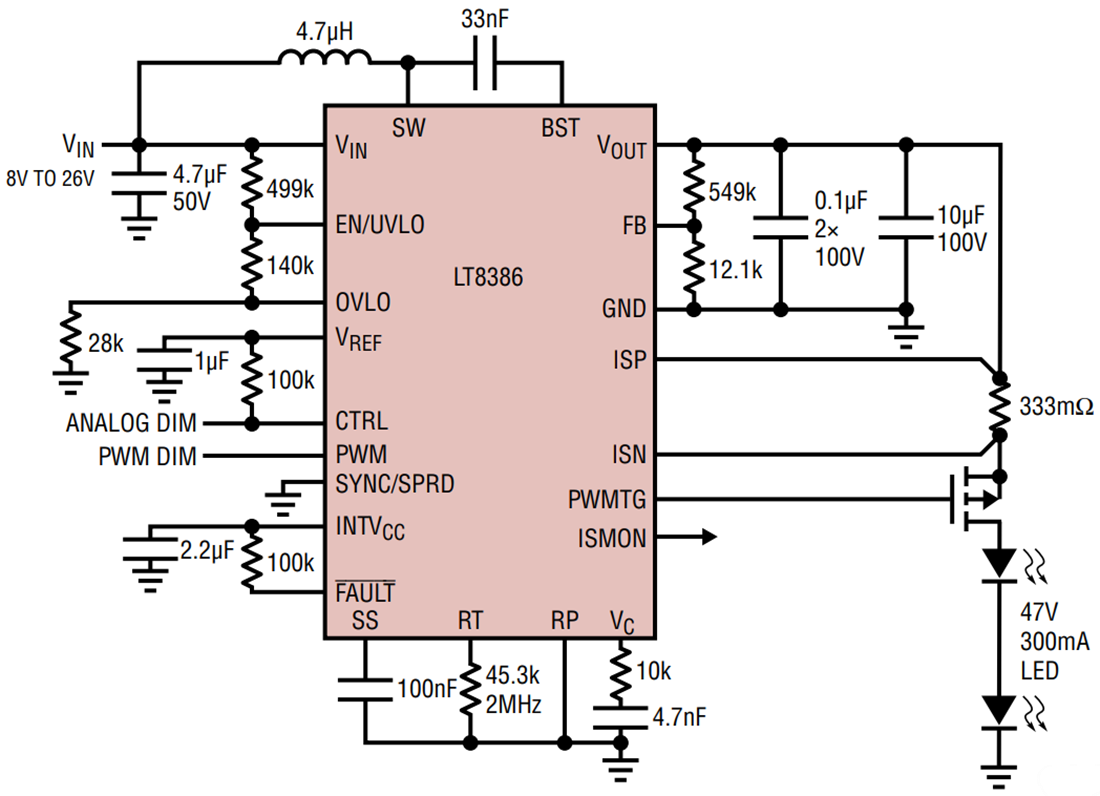
Typical Application

Application Circuit Diagram - Analog Devices Inc. LT8386 Synchronous Step-Up LED Driver
Publicado: 2021-07-09 | Actualizado: 2022-03-11