Analog Devices Inc. EVAL-AD74413R-DIOZ Evaluation Board
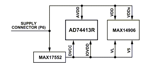
Analog Devices EVAL-AD74413R-DIOZ Evaluation Board demonstrates and evaluates the full software-configurable input and output (SWIO) features that the AD74413R and the MAX14906 provide when working together. The EVAL-AD74413R-DIOZ board provides digital input, digital output, analog input, and analog output functionality.The ADI EVAL-AD74413R-DIOZ is controlled with a USB2PMB2 adapter board through the USB port of a PC using the AD74413R-DIOZ demo software. The EVAL-AD74413R-DIOZ needs an analog power (AVDD) operating supply of 14V to 28.8V. The USB2PMB2 board is delivered from the PC.
Features
- Quad-channel, software configurable input and output functionality for the AD74413R and the MAX14906
- Single, 24V external supply
- Windows GUI for control
- Onboard MAX14483, 6-channel, low power, 3.75kVRMS SPI digital isolator
- Onboard MAX17552, 60V, 100mA, ultra-small, high-efficiency, synchronous step-down DC-to-DC converter
Required Equipment
- USB2PMB2 adapter board
- Benchtop power supply and connector cables
- PC Running Windows 10 or later
Simplified Power Diagram
Layout
Publicado: 2023-10-10
| Actualizado: 2025-03-25
