Analog Devices Inc. LTC2971 Demo Board (DC2875A)

Analog Devices Inc. LTC2971 Demo Board (DC2875A) is a demonstration system for the LTC2971 Power System Manager that interfaces with various regulators. This board comprises all the circuitry needed to demonstrate a power system utilizing two 2-channel LTC2971 devices that manage four power supplies. The four power supplies include various switching regulators to demonstrate various methods to sense voltage and current. The DC2875A demo board provides a sophisticated 4-channel digitally programmable power supply system. The DC2875A reflects the ability of the LTC2971 to sequence, trim, margin, supervise, monitor, and log faults for the four power supplies. This demo board contains four independent power supply rails based on DC/DC switching regulators.

Features

  • Sequence, trim, margin, and supervise four power supplies
  • Manage faults, monitor telemetry, and create fault logs
  • PMBus compliant command set
  • Supported by LTpowerPlay GUI
  • Margin or trim supplies to 0.25% accuracy
  • Four IOUT and two IIN monitors
  • Input power measurement and energy accumulation
  • Fast OV/UV supervisors per channel
  • Multi-channel fault management
  • Automatic fault logging to internal EEPROM
  • Operates autonomously without additional software
  • Demonstration system for the LTC2971 Power System Manager that interfaces with various regulators
  • Monitors voltage, current, power, and temperature
  • 2-channel time-based output sequencer
  • I2C/SMBus serial interface
  • Powered from 8V to 18V

Applications

  • Computers and network servers
  • Industrial test and measurement
  • High-reliability systems
  • Video and medical imaging

Required Equipment

  • +12VDC power supply
  • USB-to-I2C/SMBus/PMBus controller (DC1613)
  • LTpowerPlay Software

Overview

Analog Devices Inc. LTC2971 Demo Board (DC2875A)

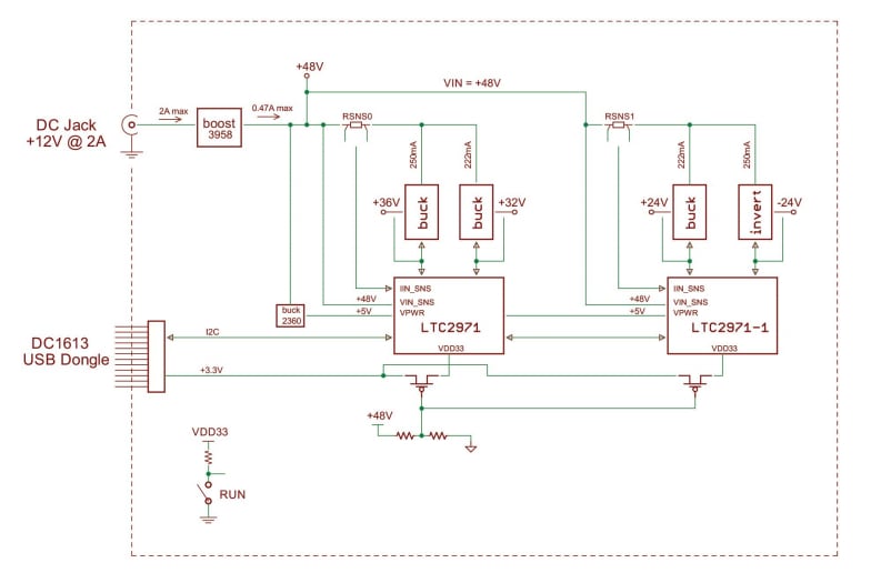
Block Diagram

Block Diagram - Analog Devices Inc. LTC2971 Demo Board (DC2875A)
Publicado: 2020-09-18 | Actualizado: 2024-11-08