Analog Devices Inc. ADuM4221/-1/-2 Half Bridge Gate Drivers
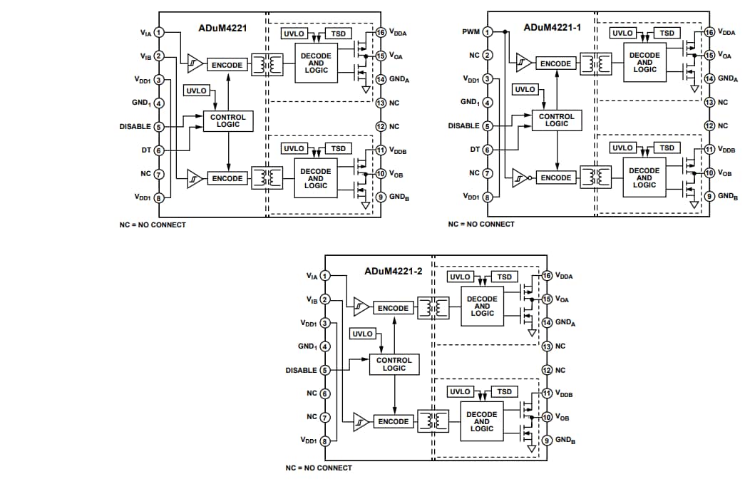
Analog Devices Inc. ADuM4221/-1/-2 are 4A isolated, half-bridge gate drivers that employ iCoupler® technology to provide independent and isolated high- and low-side outputs. The ADuM4221/-1/-2 provides 5700VRMS isolation in an increased creepage wide body, 16-lead SOIC_IC package. Combining high-speed CMOS and monolithic transformer technology, these isolation components provide outstanding performance characteristics superior to the alternatives, such as the combination of pulse transformers and gate drivers. These devices operate with a logic input voltage ranging from 2.5V to 6.5V, providing compatibility with lower voltage systems. Compared to gate drivers employing high voltage level translation methodologies, the ADuM4221/-1/-2 devices offer the benefit of true, galvanic isolation between the input and each output.The Analog Devices Inc. ADuM4221 and ADuM4221-1 have built-in overlap protection and allow dead time adjustment. A single resistor between the dead time pin (DT) and the GND1 pin sets the dead time on the secondary side between the high-side and the low-side outputs.
An internal thermal shutdown (TSD) sets outputs low if the internal temperature on the ADuM4221/-1/-2 exceeds the TSD temperature. As a result, these devices provide reliable control over the switching characteristics of the Insulated Gate Bipolar Transistor (IGBT) or Metal-Oxide-Semiconductor Field-Effect Transistor (MOSFET) configurations over a wide range of positive or negative switching voltages.
Features
- 4A peak current (<2Ω RDSON_x)
- 2.5V to 6.5V input supply voltage range
- 4.5V to 35.0V output supply voltage range
- UVLO VDD1 positive-going threshold of 2.5V maximum
- Multiple UVLO options for VDDA and VDDB positive-going threshold
- Grade A: 4.5V maximum
- Grade B: 7.5V maximum
- Grade C: 11.6V maximum
- Precise timing characteristics with 44ns maximum propagation delay
- Variants
- Adjustable dead time and dual input (ADuM4221)
- Adjustable dead time and single input (ADuM4221-1)
- No dead time control and dual input (ADuM4221-2)
- CMOS input logic levels
- High common-mode transient immunity of 150kV/µs
- High junction temperature operation up to +125°C
- Default low output
- Safety and regulatory approvals (pending)
- UL recognition per UL 1577, 5700VRMS for 1-minute duration
- CSA Component Acceptance Notice 5A
- VDE certificate of conformity, DIN V VDE V 0884-11 is VIORM = 849V peak
- Increased creepage wide-body, 16-lead SOIC_IC package
Applications
- Switching power supplies
- Isolated IGBT/MOSFET gate drivers
- Industrial inverters
- Gallium Nitride (GaN)/Silicon Carbide (SiC) compatible
Videos
Block Diagrams
Publicado: 2020-09-18
| Actualizado: 2025-03-11
