Analog Devices Inc. ADRF5549-EVALZ Evaluation Board

Analog Devices Inc. ADRF5549-EVALZ Evaluation Board is designed to evaluate ADRF5549 Dual-Channel RF Front-End Modules (FEMs). This Analog Devices evaluation board features an easy connection to test the equipment and a through-line for calibration. The ADRF5549-EVALZ board operates at a frequency range of 1.8GHz to 2.8GHz and at a supply voltage of 5V.

Features

  • Evaluates ADRF5549 Dual-Channel RF FEMs
  • Easy connection to test equipment
  • Through-line for calibration

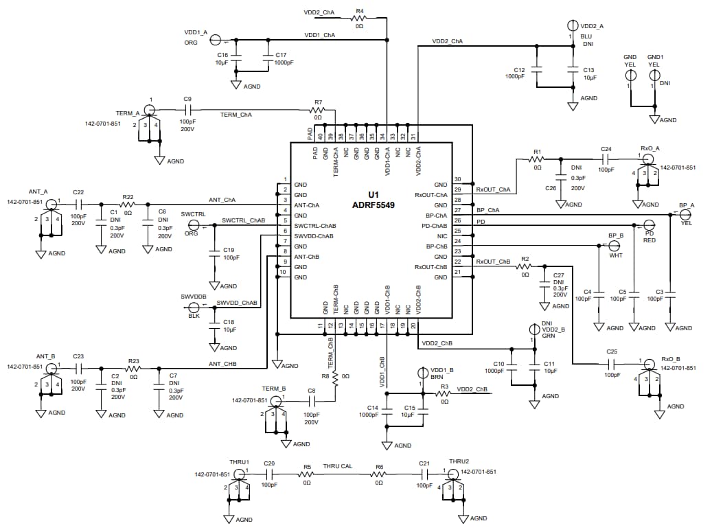
Schematic

Schematic - Analog Devices Inc. ADRF5549-EVALZ Evaluation Board
Publicado: 2019-11-27 | Actualizado: 2024-02-26