ABLIC S-19999 Step-Up Switching Regulator Controller ICs

ABLIC S-19999 Step-Up Switching Regulator Controller ICs are designed using high withstand voltage CMOS process technologies. These ICs operate within the 3V to 36V input voltage range and -40°C to 125°C operating temperature range. The S-19999 ICs enter a low current consumption sleep mode when the output voltages are equal to or higher than the sleep voltage. These ICs start switching operations when the output voltage drops below the wake-up voltage. The built-in thermal shutdown circuit limits overheating, and a built-in spread spectrum clock generation circuit enhances the system's EMI performance. Typical applications include automotive start-stop systems, emergency battery backup systems, automotive LED lamps, and automotive and industrial step-up flyback converters.

Features

  • 3V to 36V input voltage range
  • Low voltage operation after startup
  • Wake-up voltage triggers auto startup
  • Current mode control system
  • 6.80V and 8.50V output regulation voltage
  • ±2% output regulation voltage accuracy
  • 2.2MHz typical to 400kHz typical oscillation frequency range
  • FSSS = +6% typical (Diffusion rate) spread spectrum clock generation function
  • Pulse-by-pulse method overcurrent protection function
  • 170°C typical (detection temperature) thermal shutdown function
  • Hiccup control and latch control (Short-circuit protection function)
  • 2.75V typical (detection voltage) Under Voltage Lock-Out function (UVLO)
  • Ceramic capacitor-compatible
  • -40°C to 125°C operating temperature range
  • Lead-free (Sn 100%)
  • Halogen-free
  • Withstand 45V load dump

Applications

  • Automotive use:
    • Engine
    • Transmission
    • Suspension
    • ABS
    • EV/HEV/PHEV
  • Automotive and industrial step-up converters
  • Automotive start-stop systems
  • Emergency battery backup systems
  • Automotive LED lamps

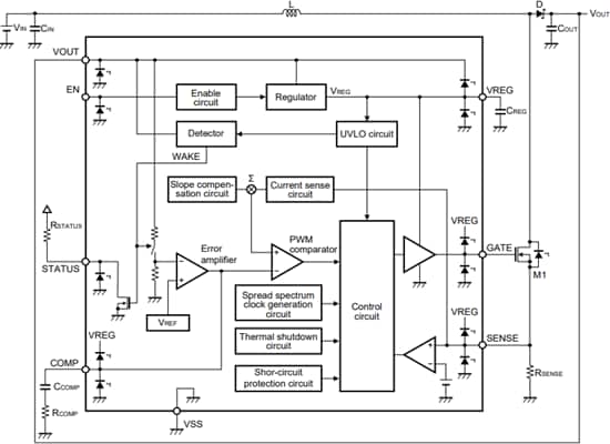
Block Diagram

Block Diagram - ABLIC S-19999 Step-Up Switching Regulator Controller ICs

Efficiency

Performance Graph - ABLIC S-19999 Step-Up Switching Regulator Controller ICs

Typical Application Circuit

Application Circuit Diagram - ABLIC S-19999 Step-Up Switching Regulator Controller ICs
Publicado: 2025-02-26 | Actualizado: 2025-03-28